현재의 오디오 상황은 하이엔드와 PC-FI가 공존하는 듯하다. 오디오 소스기기로는 DSD와 24비트/192kHz 음악 파일을 재생할 수 있는 파일 플레이어가 주력 기기로 대두되고 있다. 하지만 오디오 앰프 부분은 아직도 또 먼 미래에 있어서도 반도체 및 진공관을 사용한 형태가 그대로 유지·발전될 전망이다. 이번 연재를 통해 오디오 기기의 근간이 되는 트랜지스터, FET 및 OP AMP를 사용한 반도체 오디오 앰프에 대한 이해와 이를 사용해 앰프 및 소스기기를 설계·제작하고자 하는 분을 위한 기술적 토대를 제공코자 한다. 가급적 수식은 자제하고, 평이하게 기술해 누구라도 쉽게 이해할 수 있도록 했다.
아. 푸시풀 회로
위에서 살펴본 바와 같이 싱글 앰프로 회로를 구성할 때는 여러 가지 문제점이 있다. 이런 문제점을 해결하기 위한 방법으로 <그림 7>과 같이 캐스코드 형태의 푸시풀 회로를 만들면 싱글 앰프에 나타났던 여러 문제들이 해결될 수 있을 것 같은 생각이 든다. 그러나 이 같이 움직이기 위해서는 pnp 트랜지스터와 상대되는 npn 트랜지스터가 상호 대칭적인 특성을 항상 유지해야만 가능하다.

하지만 <그림 8>을 보자. 이것은 오디오용 저잡음 트랜지스터로 유명한 컴플리멘터리 트랜지스터인 2SC1775와 2SA872의 직류 전류 증폭율과 콜렉터 전류 특성표이다. 한눈에 보아도 알 수 있듯이 두 곡선의 특성이 다르다. 예를 들어 hFE가 맞는 점이 있더라도 그것은 IC의 한 점뿐이다. IB-IC의 직선성도 다르고 찌그러짐이 나타나는 것도 다르기 때문에 이를 조합해 푸시풀 캐스코드로 형태로 구성해도 서로를 상쇄시켜 주지 못한다.

<그림 7>에서 보는 바와 같이 같은 IB 전류가 흘러도 hFE가 다르기 때문에 부하 저항에는 각 트랜지스터의 IC의 차이만큼의 전류가 흐른다. 즉, 오프세트 전류가 생기게 된다. 게다가 각 트랜지스터의 hFE가 온도에 따라 변화하는 드리프트(Drift) 양이 다르기 때문에 이른바 DC 앰프를 만들 수 없다.
가끔 <그림 9>와 같은 대칭 모드의 회로가 오디오에 많이 나오는데, 회로도 상으로 보면 훌륭한 대칭 회로가 될 것 같으나 실제 동작에서는 대칭이 되지 않아 상당한 양의 DC 찌그러짐이 발생하게 된다.

푸시풀 동작은 정반대의 특성을 가진 트랜지스터(즉, 컴플리멘터리형 트랜지스터)를 사용해 서로 밀고 당기는 형태의 동작으로 출력을 만들어 내는 방식이다. 각 소자에 흐르는 전류의 양에 따라 A급, AB급 및 B급의 3가지로 나눈다. A급 동작은 출력 파형의 전 주기를 통해서 항상 동작하고 있어 콜렉터 전류 IC1, IC2가 항상 흐르는 상태에 있다. 이 때문에 왜율도 가장 적고 드라이브 능력도 좋지만 무신호 시에 흐르는 아이들링(Idling) 전류 IO가 최대 부하 전류 ICMAX의 1/2이 될 정도로 전류 소비가 많은 것이 단점이다. 이러한 장점이 있지만 소비 전력이 많아 오디오에서는 프리앰프나 파워 앰프의 증폭단 정도에만 사용된다. 하이엔드 파워 앰프의 일부 기종은 최종 증폭단까지 A급 증폭을 시킨다.
푸시풀 회로를 구성함에 있어 관건은 2개의 대칭적인 트랜지스터에 흐르는 콜렉터 전류 IC1, IC2의 파형에 찌그러짐이 있더라도 이 찌그러짐이 대칭적인 형태가 되어 합성했을 때 나타나지 않도록 서로 대칭 동작을 하도록 해야 한다는 점이다.
대칭 동작은 파형의 합성 결과 찌그러짐이 가장 적도록 회로를 구성하는 것이다. <그림 10>에서 보는 바와 같이 2개의 이미터 접지 회로를 구성하는데 있어 이 두 개의 트랜지스터를 완전히 같은 형번의 것 여러 개 중에서 선별해 hFE 특성이 일치하는 것(페어 트랜지스터라고 한다) 또는 2SC1553과 같은 듀얼형 트랜지스터를 사용해 구성하면 완전히 대칭적인 동작을 시킬 수 있다. 즉, Tr1의 콜렉터 전류 IC1의 변화, Tr2의 콜렉터 전류 IC2의 변화는 완전히 반대 방향이고 절대치는 같다. 따라서 IC1+IC2가 항상 일정하게 된다. 그러나 실제에 있어 <그림 10>과 같이 구성하면 IB-IC의 관계가 완전한 직선이 아니라 만곡(灣曲) 형태이기 때문에 <그림 11>에서 보는 바와 같이 합성치 또한 만곡 형태를 가지게 된다. 이 문제를 해결하기 위한 회로가 하이파이 오디오 회로에 있어서 없어서는 안 될 차동 증폭 회로이다.


자. 차동 증폭 회로
차동 증폭 회로의 기본적이 회로 구성은 <그림 12>와 같다. <그림 10>과 달라진 점은 공통 이미터 저항이 들어가 있다는 점이다. 이 공통 이미터 저항의 역할에 대해서 알아보자.

트랜지스터의 특성은 온도에 따라 달라진다. 온도가 높아지면 콜렉터 전류가 증가하게 된다. 이런 현상이 일어나지 못하도록 회로 구성을 할 필요가 있다. 이러한 필요에 맞는 회로가 이미터와 전원 간에 이미터 저항 RE를 넣는 것이다. 온도가 상승하면 콜렉터 전류가 증가하게 되고 이에 따라 이미터 저항에 걸리는 전압 REIC가 증가한다. 베이스와 전원 전압 VCC 간에 걸리는 입력 전압 Vi가 일정하다면 REIC 전압 증가에 따라 VBE가 감소해 콜렉터 전류 IC를 줄여 주게 된다. 이 같이 이미터 저항을 넣음으로써 IC의 변화량을 크게 줄여 주게 된다. 이를 증폭단의 전류 귀한이라고도 한다. 하지만 이 전류 귀환의 단점으로는 이것이 신호 전압에 대해서도 작용하기 때문에 중요한 증폭 작용을 줄이는 단점이 있다.
이를 해결하는 방법으로 RE에 병렬로 대용량의 콘덴서를 달아주면 AC 성분인 오디오 신호는 이 콘덴서를 통해 바이패스되기 때문에 전류 귀환이 걸리지 않아 증폭도가 낮아지지 않게 된다. 온도 변화에 따른 드리프트 현상에 의해 나타나는 전압의 변화는 매우 천천히 변화하기 DC 분이라고 생각해도 좋은데, 이 변화 분만이 전류 귀환의 영향을 받게 되는 것이다. 상당히 좋은 방법이라고 생각될 수 있지만 문제는 바이패스에 사용되는 콘덴서는 대용량이 필요하기 때문에 음질적으로 좋지 않은 전해 콘덴서를 사용할 수밖에 없다. 오디오 신호가 이 전해 콘덴서를 통해서 흐른다는 것은 가급적 피하는 것이 더 좋은 음질을 보장할 수 있다는 점에서 바이패스 콘덴서의 사용은 가급적 피하는 것이 좋다.
이런 이미터 저항을 사용하면 증폭기의 거의 완전한 대칭 동작을 만들어 낼 수 있다. <그림 12>의 차동 증폭 회로는 2개의 이미터 접지 증폭 회로에 공통 이미터 저항이 있고, 이를 통해 전류가 흐른다. 베이스에 걸리는 전압은 항상 대칭적으로 변화하는 신호에 따라서 드라이브된다면 IC1, IC2는 항상 같은 크기의 역방향 전류가 되어 이 둘의 합은 항상 일정하게 되고, 양 트랜지스터의 콜렉터에는 같은 진폭, 역위상의 전압이 나타나게 된다.
이 같이 대칭적인 동작밖에 할 수 없어 결과적으로 출력 파형은 항상 대칭적인 전압만이 나와서 합성 출력 파형에는 비대칭 찌그러짐이 발생하지 않게 된다. 이러한 대칭 동작이 완전히 가능한 차동 앰프가 나타남에 따라서 하이엔드 오디오 앰프의 탄생도 가능하게 되었다.
차동 앰프에는 동상억압(同相抑壓) 효과라는 오디오 면에서 아주 유리한 효과가 발생한다. 이는 음악 신호에 대해서는 작용하지 않고, 온도 변화 또는 외부에서 들어오는 잡음 성분으로 이루어진 신호에 대해서는 증폭 작용을 거의 하지 않는 것을 말한다.
차동 앰프 회로에 있어 RE는 무신호 시의 전류를 안정화하는 방향으로 작용한다. 온도가 상승하면 컬렉터 전류 IC가 증가하는데 Tr1, Tr2는 페어 트랜지스터로 이루어졌기 때문에 IC1, IC2도 같은 양만큼 증가하고, RE를 통한 전압 강하 RE(IC1+IC2)도 증가해서 베이스와 VCC 간의 전압 Vi가 일정하다면 VBE를 감소시켜 IC1, IC2도 감소시키는 역할을 한다.
차동 앰프 회로의 양 트랜지스터의 베이스 전압에는 오디오 신호가 역방향의 같은 크기만큼 걸리게 된다. 즉, 항상 역방향의 동량의 신호가 걸리게 된다. 공통 이미터 저항에 걸리는 전압에는 변화가 없고, RE에 흐르는 전류도 변화가 없어 오디오 신호에 대해서는 전류 귀환 작용을 하지 않게 된다. 따라서 오디오 신호에 대해서는 RE가 있더라도 증폭도의 변화가 없다.
차동 앰프의 두 트랜지스터의 입력에 Vi가 같은 양만큼 내려갈 경우를 생각해 보자. 그러면 IC1, IC2도 같이 같은 양만큼 감소해 전압 RE(IC1+IC2)도 감소하기 때문에 VBE를 상대적으로 증가시켜 IC1, IC2를 다시 증가시키는 역할을 한다. 즉, RE는 베이스 입력의 동상 성분 신호에 대해서는 전류 귀환 효과를 내지만 차동 변화에 대해서는 어떤 작용도 하지 않는다.
동상 신호 변화는 주로 전원 전압의 변동, 외부의 잡음 유입, 온도 변화와 같은 오디오 신호와는 관계없는 부분에서 발생하는데, 이런 요소에 대해서는 전류 귀환 작용을 통해 증폭 작용을 거의 하지 않는 아주 바람직한 작용을 하는 것이 차동 앰프 회로의 큰 특징이다.
차. 정전류 회로와 커런트 미러 회로
<그림 12>와 같은 차동 앰프로는 독립한 2개의 싱글 앰프밖에는 되지 않는다. 이 두 싱글 앰프를 푸시풀로 합성해 본격적인 오디오 앰프로 동작시키기 위해서는 커런트 미러(Current Mirror) 회로라고 하는 일종의 전류 증폭기를 부가해야 한다. 이 커런트 미러 회로는 정전류 회로로 베이스 접지 회로로 구성된다.
베이스 접지 회로는 콜렉터와 이미터 간 전압 VCE와 관계없이 이미터 전류 IE와 컬렉터 전류 IC가 같아지게 되는 전류 출력 앰프이다. 또한 어떻게 하든 IE를 고정시킨다면 출력 전류 IC도 고정시킬 수 있는 정전류 회로이다.
<그림 13>에 정전류 회로를 나타내었다. 이미터와 전원 전압 VCC 간에 이미터 저항 RE를 넣고 베이스 전압은 제너 다이오드 D1(제너 전압으로 고정)과 일반 다이오드 D2(일반 다이오드의 순방향 전압)를 연결해 베이스 전압을 고정시킨다. RB는 다이오드를 흐르는 전류를 위한 저항이다. 트랜지스터의 증폭도가 충분히 크다면 IC-IE라고 생각해도 좋다. 이때 IC는

가 되고, 다이오드의 순방향 전압 VD와 트랜지스터의 베이스와 이미터 간의 전압 VBE는 대체로 비슷하므로

가 된다. 즉, 위 식에서 보는 바와 같이 컬렉터 전류는 VCE와 관계없이 일정하게 할 수 있다. 이것이 정전류 회로로 움직이게 하는 것이다.

다이오드의 순방향 전압 VD와 트랜지스터의 베이스와 이미터 간의 전압 VBE는 대체로 비슷하지만 넓은 온도에서 이 둘을 일치시키려면 다이오드 대신에 2SA798과 같은 듀얼 트랜지스터를 사용해 한쪽의 트랜지스터를 다이오드 접속해서 사용한다.
실용적 회로에서는 다이오드를 생략하고 제너 다이오드만을 사용하는 경우도 많다. 이 경우 VBE가 온도에 따라 변화(-2~-2.5㎷/℃)에 따라서 IC가 다소 변하지만 VZ도 비슷하게 변하는 것을 골라 사용해 이를 상쇄시키도록 회로를 구성하는 경우가 많다. 음질을 중시하기 위해서 한 개의 소자라도 줄이기 위한 노력의 하나이다. pnp 트랜지스터를 통한 정전류 회로가 일종의 전류를 방출하는 회로라면 npn 트랜지스터를 통한 정전류 회로는 일종의 전류 흡수 회로이다.
커런트 미러 회로는 <그림 14>와 같이 RE에 같은 값의 저항을 사용하면 마치 거울을 보는 것과 같이 IC1과 IC2에는 항상 같은 전류가 흐른다. 이를 이용해 전류 IC1과 같은 전류를 다른 회로 부분에서도 흐르게 하고자 할 때 사용한다. 특히 커런트 미러 회로는 Tr1, Tr2와 같은 특성을 가진 페어 트랜지스터를 사용하면 전원 전압이라든가 VCE에 관계없이 IC1과 IC2는 같아지게 할 수 있는 특징이 있다. 따라서 IC1을 안정하게 흐르게 하면 IC2는 전원 전압의 변동이라든가 부하의 변동에 상관없이 같은 전류를 흘릴 수 있다.

실제 회로에서는 다이오드 접속을 한 Tr1의 VBE1이 트랜지스터 동작을 하는 Tr2의 VBE2보다 5% 정도 더 크기 때문에 RE1의 값을 RE2보다 5% 정도 더 크게 해서 사용한다. 또 Tr1 대신 고주파 특성이 좋은 스위칭 다이오드를 사용하기도 한다.
카. 차동 앰프의 푸시풀화
차동 앰프를 커런트 미러 회로를 사용해 푸시풀 앰프 구성으로 합성해 보자. <그림 15>는 차동 앰프의 출력 전류를 커런트 미러 회로로 합성한 회로이다. Tr1, Tr2가 차동 앰프, D, Tr3가 커런트 미러 회로이다. Tr2, Tr3의 접점부가 출력 단자이다. 여기에 부하 저항 RL이 연결되어 있다.

무신호 시에는 IC1 = IC2여서 부하 저항에는 전류가 흐르지 않아 출력 전압 VO는 0이 된다. 하지만 IC1 > IC2이면 IC1 - IC2만큼의 전류가, IC1 < IC2이면 - (IC1- IC2)만큼의 전류가 부하 저항에 흘러 출력 전압이 만들어지게 된다. 이 같이 부하 저항에는 Tr2, Tr3의 차의 전류가 흐르는 푸시풀로 합성된 전류를 통해 출력 전압이 발생하게 된다.
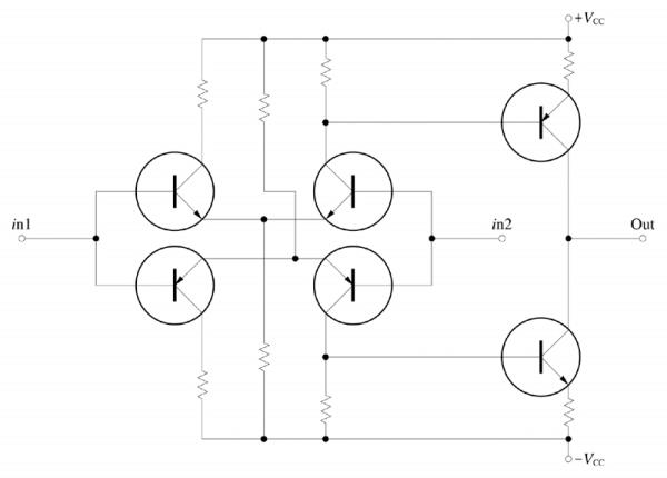
그러나 문제는 Tr2에 걸리는 VCE2의 전압이 출력 전압 VO에 따라 크게 변하는데 반해 Tr1에 걸리는 VCE1의 전압은 거의 변함이 없어 푸시풀로 합성된 출력의 언밸런스가 생긴다. 이를 해소하기 위한 최종 회로가 <그림 16>이다. 캐스코드 회로를 부가해 전원 전압의 변동이나 부하에 좌우되지 않도록 했다. 커런트 미러 합성 캐스코드 차동 앰프인데 여기서 Tr1, Tr2는 차동 앰프로 Tr3, Tr4가 캐스코드 회로로 D2, Tr5가 커런트 미러 회로다. 한편 D1은 베이스 접지 앰프인 Tr3, Tr4의 베이스를 고정시키는 역할을 하는 제너 다이오드이다.

베이스 접지 앰프는 VCE와 관계없이 IE와 같도록 IC가 흐르는 전류 출력 증폭기이므로 Tr4의 VCE가 VO에 따라 변해도 관계없이 IE4 = IC4가 되어 합성 출력의 밸런스를 얻을 수 있다. 이 같이 캐스코드 회로, 커런트 미러 회로, 차동 앰프의 구성을 통해 하이파이 앰프의 기본이 만들어 지게 되고, 앞으로 전개될 DC 앰프의 핵심이 된다.


