현재의 오디오 상황은 하이엔드와 PC-FI가 공존하는 듯하다. 오디오 소스기기로는 DSD와 24비트/192kHz 음악 파일을 재생할 수 있는 파일 플레이어가 주력 기기로 대두되고 있다. 하지만 오디오 앰프 부분은 아직도 또 먼 미래에 있어서도 반도체 및 진공관을 사용한 형태가 그대로 유지·발전될 전망이다. 이번 연재를 통해 오디오 기기의 근간이 되는 트랜지스터, FET 및 OP AMP를 사용한 반도체 오디오 앰프에 대한 이해와 이를 사용해 앰프 및 소스기기를 설계·제작하고자 하는 분을 위한 기술적 토대를 제공코자 한다. 가급적 수식은 자제하고, 평이하게 기술해 누구라도 쉽게 이해할 수 있도록 했다.
제2편 반도체 다이오드, 트랜지스터 원리
1. 반도체 기초 지식
바이폴라 트랜지스터의 기본은 반도체에서 출발한다. 반도체(半導體)는 여러 물질 가운데 전기적 전도성 측면에서 완전한 도체도 아니고 또한 완전한 부도체도 아닌 중간적 성질을 가진 물질로, 조건에 따라서 도체도 되었다가 부도체도 되는 성질을 가졌다. 대표적인 물질이 실리콘, 게르마늄과 셀렌 등이 있으며, 현재는 대부분 실리콘이 사용된다. 반도체는 다시 전자가 캐리어가 되는 P형과 홀(Hole)이 캐리어가 되는 N형으로 나누어진다. 가장 간단한 반도체 소자로서는 <그림 1>과 같은 다이오드가 있다. 다이오드는 P형 반도체와 N형 반도체를 접합해 놓은 것으로, P형으로부터 N형 방향으로만 전류가 흐른다. N형 반도체 또는 P형 반도체를 하나만 이용하는 것으로는 서미스터(Thermistor), 포지스터(Posistor) 또는 배리스터(Varistor)와 같은 저항체가 있으며, 이는 온도에 따라 저항 값이 크게 변하는 것을 이용하는 것으로, 온도 센서라든지 온도 보상 회로 등에 이용된다.

다이오드는 원래는 진공관 중 정류 작용을 하는 2극관을 칭하는 말이었으나, 현재는 반도체 다이오드를 줄여서 다이오드라고 많이 칭한다. P형 반도체 쪽이 애노드(Anode), N형 반도체 쪽이 캐소드(Cathode) 역할을 하며, 애노드로부터 캐소드 방향으로만 전류가 흐른다. 이렇게 한 방향으로만 전류가 흐르는 것을 정류(整流) 작용이라고 부른다. 실제로는 역 방향으로도 아주 미세한 전류가 흐르는데 이것은 적으면 적을수록 좋다. 이를 최소화시킨 다이오드로 고속 회복 다이오드(Fast Recovery Diode)가 생산되고 있는데, 오디오 분야에서는 특히 중요한 역할을 하고 있다. 한편 이 역 방향으로 전류가 흐르는 것을 반대로 적극 이용한 다이오드가 있는데 이를 제너(Zener) 다이오드라고 하며, 일정한 전압을 유지해 주는 역할로 정전압 회로를 만드는 데 자주 이용된다.
PN 접합은 다이오드뿐 아니라 바이폴라 트랜지스터와 FET의 동작에 있어 가장 중요한 동작 원리를 제공한다. <그림 2-a>는 접합 양 단자에 전압을 가하지 않은 상태로 전자와 홀이 결정 내에서 무작위하게 분포되어 있다. <그림 2-b>는 N형에 +, P형에 - 전위를 가한 상태인데, 전자가 - 부터 + 방향으로, 홀이 + 부터 - 방향으로 이동한다. 따라서 접합면에는 캐리어 농도가 매우 낮아지게 되며, 전기적으로 보면 접합면에서의 저항 값이 매우 큰 상태가 되어 전류는 흐르지 않는다. 이를 역 방향 바이어스라고 한다. <그림 2-c>는 N형에 -, P형에 + 전위를 가한 상태인데, 전자가 + 부터 - 방향으로, 홀이 - 부터 + 방향으로 이동해 접합면에는 캐리어 농도가 매우 높아지는데, 전기적으로 보면 접합면에서의 저항 값이 매우 낮은 상태가 되어 전류가 잘 흐르게 된다. 이를 순방향 바이어스라고 한다. 단 접합면은 일종의 장벽과 같은 역할을 하는데, 이를 넘을 수 있는 전압이 가해져야만 전류가 흐르게 된다. 이 전압은 실리콘 다이오드와 트랜지스터에서는 0.6V이다. 이 전압을 문턱(Threshold) 전압이라고 한다.

한편 현재 오디오용으로 각광받고 있는 다이오드가 쇼트키 배리어(Schottky Barrier) 다이오드이다. 일반 다이오드는 PN 접합인 반면 쇼트키 배리어 다이오드는 반도체+금속으로 된 다이오드이다. 일반 다이오드의 문턱 전압이 약 0.6V 정도이고 역 회복 시간이 긴 반면, 쇼트키 배리어 다이오드는 반도체+금속의 결합으로 문턱 전압이 위의 일반 다이오드보다 0.4V 정도로 낮은 데다 소수 캐리어가 아닌 다수 캐리어에 의해서는 전류가 흐르기 때문에 축척 효과가 없어 역 회복 시간이 매우 짧은 것이 특징이다. 그렇기 때문에 쇼트키 다이오드는 저전압이면서 대 전류, 고속 정류 등에 많이 사용된다. 다만 쇼트키 다이오드도 약점은 내압이 비교적 낮다는 점이다(보통 100V 이하).
2. 다이오드의 종류, 특성 및 응용
다이오드에는 구조에 따라 여러 가지 종류로 나누어진다. 가장 먼저 개발된 것이 점 접점(Point Contact) 다이오드로, 게르마늄 또는 실리콘 단결정편에 금속 침을 접촉한 형태로 된 것으로, 금속 측이 N형, 결정체 쪽이 P형의 역할을 한다. 주로 고주파 정류 및 검파, 변조용으로 사용되지만 대 전류를 흘리지 못하기 때문에 정류용으로는 부적합하다.
다음으로 본드(Bond)형 다이오드이다. 점 접촉형이 전류를 많이 흘리지 못하는 것은 금속 침을 사용하기 때문으로, 금속 침을 용접시켜 본드형으로 제작한 것이다. 정전 용량이 큰 것이 단점이지만, 내압과 전류 용량은 크게 할 수 있다. 스위칭과 검파 및 소 전류 정류용으로 많이 사용된다. 이를 좀더 발전시킨 것이 합금(合金) 접합형으로 N형과 P형 반도체를 접합시켜 접합면을 크게 해 전류 용량이 더욱 커졌다. 하지만 접합면에서의 정전 용량이 커서 고주파용으로 사용하지 않고, 전원 전압과 같은 저주파 교류의 정류용으로 주로 사용된다.
가장 최신의 공법은 확산(擴散) 접합형으로, N형 반도체를 고온의 P형 가스 내에서 가열시켜 표면에 P형을 형성하는 공법으로 PN 접합면을 만드는데, 현재 나오는 대 전류용 다이오드는 주로 이 방법으로 만들어 진다. 이외에 메사형, 플래너형 및 에피택시얼형 등의 방법을 사용해 대 전류용 다이오드가 만들어 진다.
다이오드는 접합면의 구조와 재질에 따라 정전 용량 C가 분포한다. 이에 따라 실은 어느 방향으로든 충전과 방전이 일어날 수 있는데, 주파수가 높아질수록 현저히 나타난다. 따라서 정전 용량이 적을수록 좋지만, 이를 위해서는 접촉면이 작아지고 따라서 흘릴 수 있는 전류 양도 줄어들게 된다. 이런 역관계를 최소화시키기 위해 위와 같은 여러 제조 방법이 계속 만들어지게 되었다.
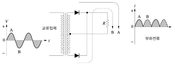
다이오드의 가장 큰 역할은 정류 작용이다. 다이오드의 양단 전압 V와 흐르는 전류 I의 관계를 나타내면 <그림 3>과 같은 곡선이 나타난다. 전술한 바와 같이 양단 전압을 올려서 0.6V에 이르면 그때부터 급격히 전류가 흐르기 시작한다. 이것을 이용해 교류를 직류로 만드는 정류 및 스위칭용으로 사용한다. <그림 4>가 반파 정류의 기본 회로이다. 교류 파형의 + 부분일 때만 전류가 흐르게 된다. 다이오드를 4개 사용하면 <그림 5>와 같은 브리지 전파 정류 회로를 만들 수 있다. 트랜스포머에 중점 탭이 있을 경우는 <그림 6>과 같이 다이오드를 2개만 사용해도 전파 정류를 할 수 있다.




한편 정류 작용을 할 때 <그림 7>에서 보는 바와 같이 스위칭 시의 반전에 이르는 짧은 기간 동안 역 방향의 미세 전류가 흐른다(이 기간을 역 회복 시간이라고 한다). 이는 매우 높은 고주파 펄스성의 잡음 성분을 포함하고 있고, 이것이 오디오 회로 전체로 퍼져 매우 나쁜 잡음원이 된다. 이러한 부작용을 최소화하기 위해 역 방향으로 전류가 흐르는 시간을 줄인 것이 패스트 리커버리 다이오드이다. 현재는 이를 극단적으로 줄인 울트라 패스트 리커버리(Ultra Fast Recovery) 다이오드와 쇼트키 배리어 다이오드 등이 생산되어 오디오용 등으로 사용되고 있고 있다.

다이오드의 가장 큰 응용은 정류 작용인데, 다이오드만으로는 교류를 완전한 직류로 만들지 못한다. 한 방향으로 전류가 흐르기 때문에 맥류(脈流)라는 형태의 직류가 되어 고주파 성분을 다량 포함하게 된다. 이를 배터리에서 나오는 것과 같은 평탄한 직류로 바꾸어 주기 위한 회로로 평활 회로가 필요하게 된다. 평활 회로는 보통 콘덴서, 코일 및 저항으로 구성된다. 반도체 회로에서는 값 비싸고 크기가 크게 되는 코일은 거의 사용치 않고, 대용량의 콘덴서와 저항을 사용하는 C-R 평활 회로가 일반적으로 사용된다. <그림 8>이 가장 일반적인 C-R형 평활 회로로 충전과 방전을 되풀이하면서 맥류를 직선화시킨다.

오디오 회로에서 많이 사용하는 다이오드로 제너(Zener) 다이오드가 있다. 정전압 다이오드라고도 하는데, 일반 다이오드가 순방향으로만 전류가 흐르는 데 반해, 제너 다이오드는 P형과 N형의 반도체 층을 형성할 때 불순물의 양을 조절하는 데에 따라서 역 방향으로 전압을 가할 때 돌연 어느 한 순간부터 전류가 흐르기 시작한다. <그림 9>에 나타낸 바와 같이 역 방향 전압 VZ에서부터 전류가 급격히 흐르기 시작한다. 이를 제너 전압이라고 한다. 이 제너 다이오드는 5.1V부터 24V까지 있으며, 전류 용량은 500㎃가 일반적이지만 더 큰 전류 용량의 것도 나오고 있다.
그 외에 LED(Light Emitting Diode)도 PN 접합을 사용한 반도체 다이오드인데, 반도체 결정 재료로 갈륨비소(GaAs) 또는 갈륨인(GaP)을 사용한다. PN 결합 부분에서 캐리어가 재결합할 때 빛이 발생하는 것을 이용한 것이다. LED는 약 2V의 낮은 전압으로도 작동하고 발열이 거의 없는 데다 응답 속도도 빠르기 때문에 발광 표시뿐 아니라 광 신호 전송에도 사용된다.

3. 바이폴라 트랜지스터 기초 지식
바이폴라 트랜지스터(이하 트랜지스터라고 함)은 신호 전류를 증폭하는 소자이다. 이 역시 P형과 N형 반도체를 사용해서 만들어지는데, 캐리어 역할을 하는 것이 전자와 홀의 두 가지여서 바이폴라(Bipolar)라는 이름이 붙여졌다. <그림 10>에 나타낸 바와 같이 NPN형과 PNP형 트랜지스터 두 종류가 있다. 일반적인 +전압을 걸어 사용할 수 있는 것이 NPN형이다. 두 가지 모두 이미터(Emitter) 접지형으로, 전류가 흐르는 방향을 나타내었는데, 기본적으로 베이스(Base) 전류 IB입력에 의해 콜렉터(Collector) 전류 IC가 출력으로 나타난다. 관계 식은 전류 증폭률을 β라고 할 때 IC=βIB가 된다. 콜렉터와 이미터 간에 전압을 가한 상태에서 베이스에 전류를 흘리면 그 양에 따라 증폭률만큼 확대된 전류가 콜렉터와 이미터 사이에 흐르게 된다. 베이스 전류가 0일 때는 콜렉터 전류 IC도 0이 된다. 마치 베이스 전류의 크기에 따라 콜렉터와 이미터 사이에 있는 저항 값이 변해 전류를 많이 흘리거나 적게 흘리는 것과 같은 역할을 한다. 트랜지스터(Transistor)란 이름 자체도 Trans+Resistor의 합성어로 변하는 저항체란 의미에서 나왔다.

트랜지스터는 직류 및 교류 신호에 대해 모두 동작한다. hFE는 직류 신호에 대한 증폭률을, hfe는 교류 신호에 대한 증폭률을 나타내는데, 입력 전류의 변화에 비례해 콜렉터 전류가 변화하는 것을 나타낸다. 기호로는 일반적으로 β라고 쓰며 높은 주파수에서는 다소 작아지지만 거의 hFE의 값과 같다.
트랜지스터는 기본적으로 전류 증폭 소자이지만 <그림 11>과 같이 콜렉터 측에 저항(이를 부하 저항이라고 한다)을 넣으면 이 저항 양단에 걸리는 전압이 베이스 전류에 따라 크게 변하게 되어 전압의 변화분만을 끄집어내서 사용하면 전압 증폭용으로 사용이 가능하다.

교류 신호의 내부 저항을 rb라고 하면 입력 신호 전압의 크기는 rb△IB가 되고, 출력 신호의 크기는 RC△IC가 되어 증폭률은

가 된다. hFE는 보통 수십에서 수백 정도의 큰 수치이고, RC≫rb이기 때문에 전압 비는 출력 쪽에서 대폭 커지게 되는 전압 증폭이 이루어진다.
한편 <그림 12>와 같이 부하 저항을 이미터 측에 넣는 경우도 있다. 이를 이미터 팔로워(Emitter Follower) 또는 콜렉터 접지 회로라고도 하는데, 전압 증폭은 이루어지지 않고 증폭률이 1이 약간 되지 않는다. 이는 출력 전압 RC△IC가 모두 입력 전압에 역 위상으로 더해지기 때문이다. 즉, 100% 전압 귀환 회로이다. 전압 증폭은 이루어지지 않지만, 입력 임피던스는 높고, 반대로 출력 임피던스는 낮게 만들 수 있기 때문에 임피던스 변환 회로로 사용된다.

트랜지스터를 증폭 소자로서 동작시키기 위해서는 전원 전압과 함께 바이어스(Bias) 전압도 필요하다. 바이어스는 트랜지스터의 동작 점을 결정하는데, 이를 이해하기 위해 <그림 13>을 보자. <그림 13-a>와 같이 바이어스 전압이 없는 경우는 증폭은 되지만 베이스 전류가 흐르는 시간에만 콜렉터 전류가 흐른다. 마치 증폭된 반파 정류와 같은 형상이 된다. <그림 13-b>와 같이 바이어스를 줄 경우에는 무신호 시에는 IBO만이 베이스에 전류가 흘러서(이를 바이어스 전류라고 한다) 콜렉터 전류도 ICO만의 전류가 흐르게 된다. 이 전류를 아이들링(Idling) 전류라고 한다. 이렇게 구성할 경우 교류 신호 전류에 따라서 베이스 전류가 IBO를 중심으로 변화하고, 콜렉터 전류도 ICO를 중심으로 변화하게 된다.

4. 트랜지스터 증폭 회로의 이해
가. 기본 증폭 회로
<그림 14>는 가장 일반적인 트랜지스터의 증폭 회로이다. 여기서 C1과 C2는 커플링 콘덴서로 전단과 후단의 직류 성분이 들어오고 나가는 것을 막고, 교류 성분의 오디오 신호만이 전달되도록 하는 역할을 한다. 단 직류 전압을 잘 이용할 수 있는 <그림 14-b>와 같은 회로에서는 C1을 생략할 수 있어 이른바 DC 증폭 회로가 되는데, 저역 특성이 우수하다.

R1, R2는 바이어스용 저항으로 전원 전압을 분압해 바이어스 전압을 만든다. 직결 회로에서는 전단의 직류 전압을 그대로 바이어스 전압으로 사용 가능하므로 R1, R2는 당연 생략할 수 있다. RC는 앞에서 설명한 바와 같이 부하 저항이다. 이 트랜지스터에서 교류적으로 부하가 되는 것은 RC뿐 아니라 출력단의 부하 저항인 RL과 다음 단의 입력 저항이 같이 작용하는데, 가능한 RL과 다음 단의 입력 저항의 값을 크게 해 RC에 대한 영향이 작도록 하는 것이 좋다. 이미터 저항 RE는 직류 안정도를 높이기 위해서 사용한다.
트랜지스터 내부에도 이미터 내부 저항 rE가 존재하지만 이 내부 저항 값은 온도에 따라 크게 변해 이미터 전류가 불안정하게 된다. 이를 방지하기 위하여 rE보다는 큰 값을 갖는 이미터 저항 RE를 외부에 붙여 전체적으로 저항 값의 변동을 작게 한다. 따라서 이미터 저항 값이 크면 클수록 직류 안정도는 좋아진다. 하지만 이 저항 값이 크면 이 저항 양단에 생기는 전압이 입력 신호에 대해 역 위상으로 더해져 증폭도가 낮아지게 된다. 이때 이미터 저항과 병렬로 바이패스 콘덴서 CE를 넣으면 교류적으로는 이미터를 접지한 것과 같이 되어 증폭도 저하를 막는 동시에 직류 안정도도 높일 수 있다.
<그림 15>는 이미터 접지 트랜지스터의 증폭도를 계산하기 위한 간단한 등가 회로이다. 전원의 내부 임피던스는 0, 커플링 콘덴서 없이 직결, 이미터 바이패스 콘덴서도 없는 이상적 회로이다. 여기서 hie는 베이스 입력 저항을 의미한다.
ei = iB×hie, e0 = iC×RC, iC = hfe×iB의 식으로 부터 증폭도를 구하면, 증폭도

가 된다. 예를 들어 2SC1918 트랜지스터의 경우 hfe가 500, hie가 16KΩ인데 RC를 4.7KΩ으로 한다면 전압 증폭도는 약 147배를 얻을 수 있다.

나. 트랜지스터의 정특성(靜特性)
트랜지스터를 오디오 회로에 사용 시 거의 대부분이 ± 전압 공급을 통해 + 영역에서는 NPN형 트랜지스터를 - 전압 영역에서는 PNP형 트랜지스터를 푸시풀 형태로 사용하는 것이 일반적이다. 이런 형태의 푸시풀 동작을 이해하기 위해 일단 <그림 16>과 같은 가장 기본적인 분압 회로를 보자. ±VCC의 두 전원 간에 R1, R2를 접속하고 이 중간점에서 전압을 빼낸다고 할 때 R1, R2에 흐르는 전류 IC는

가 되고, 접지 점에 대한 출력 전압은

가 된다. 만일 R1=R2라면 V0는 0이 된다.

<그림 17-a>와 같이 R1을 가변 저항 VR1으로 교체하고 VR1을 0부터 4R2의 값까지 변화시켜 보면, IC의 값도 변화하고 V0는 -VCC부터 +0.6VCC까지 변화한다. 만약 VR1의 값이 매우 크다면 V0는 +VCC의 값에 가까워지게 된다. <그림 18-a>는 반대로 R2를 가변 저항 VR2로 바꾸고 0부터 4R1의 값까지 변화시켜 보면, IC의 값도 변화하고 V0는 <그림 18-b>와 같이 +VCC부터 -0.6VCC까지 변화한다. 만약 VR2의 값이 매우 크다면 V0는 -VCC의 값에 가까워지게 된다. 즉, V0의 변화 범위는 +VCC~-VCC까지 된다.

▲그림 17 VR1과 R2를 통한 분압 회로
▲그림 18 VR2와 R1을 통한 분압 회로
이와 같이 가변 저항의 역할은 IC의 값을 변화시키게 되는데, 여기서 가변 저항 대신 트랜지스터로 교체해 베이스 전류를 제어하면 역시 같은 결과를 얻을 수 있다. <그림 19>는 <그림 16>의 R1을 콜렉터 부하 저항 RC로, R2를 PNP 트랜지스터로 교환한 회로다.

▲그림 19 <그림 16>의 R1을 콜렉터 부하 저항 RC로, R2를 PNP 트랜지스터로 교환한 회로
▲그림 20 콜렉터-이미터 간 전압 VCE과 콜렉터 전류 IC의 관계도

▲그림 21 베이스-이미터 간 전압 VBE와 IC의 관계도
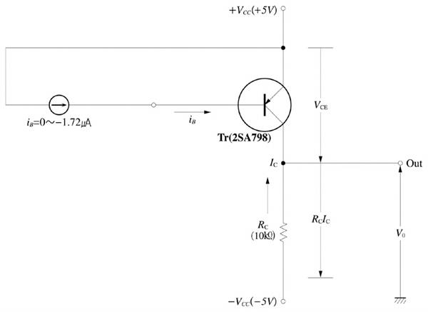
예를 들어 트랜지스터는 2SA798, RC는 10KΩ, VCC는 ±5V라고 해 보자. 트랜지스터의 이미터 접지 출력 특성, 즉 이미터를 입·출력 공통 라인으로 하고 베이스 전류 IB를 파라미터로 해서 단계적으로 변화시키면서 콜렉터-이미터 간 전압 VCE와 콜렉터 전류 IC의 관계를 표시하면 <그림 20>과 같이 된다. 또한 이미터 접지 전달 특성이라고 하는 베이스-이미터 간 전압 VBE와 IC의 관계를 나타내는 곡선이 <그림 21>과 같이 그려진다.
트랜지스터 제조사가 발표하는 데이터 시트에서 전압은 접지 라인을 기준으로 해서 나타내고, 전류는 트랜지스터에 유입하는 방향을 +로 나타낸다. 때문에 PNP 트랜지스터의 경우 VCE의 값은 -값으로 나타나고 IB 및 IC도 -값으로 나타나게 된다.
<그림 19>에서 이미터를 기준으로 해서 볼 때 전원 전압을 -2VCC라고 하면 이는 RC를 통한 전압 강하 RCIC와의 합이다. 즉, -2VCC= RCIC + VCE로 되고,

가 된다.
위의 <식 1>은 전원과 부하 저항에 따라 결정되는데, 이를 <그림 18>에 그려 넣으면 두 점(즉,

의 점과

의 점)을 잇는 직선이 되는데, 이를 부하 직선(Load Line)이라고 한다.
다. 트랜지스터의 동특성(動特性)
<그림 20>과 <그림 21>은 트랜지스터의 정특성(靜特性)이라고 하는데, 실제 트랜지스터가 부하 저항 상태에서 동작할 때에는 <식 1>의 조건을 같이 만족해야 한다. IC가 트랜지스터와 RC를 통해 흐르고, VCE가 VCC, RC, IC에 따라서 결정된다. 트랜지스터의 동작 점(VCE, IC)은 정특성과 부하 직선상의 교차점 위에 위치하게 된다. 즉, 부하 직선을 IB의 변화에 따라 이동하고 그의 교점으로부터 IB 대 IC, IB 대 VCE의 관계를 구하면 <그림 22>와 같이 되는데, 이를 트랜지스터의 동특성(動特性)이라고 한다.
<그림 22>의 동특성 곡선 중 IB 대 IC 특성은 IC가 증가할수록 VCE는 감소하기 때문에 IC가 IB에 따라서 증가되지 않고 <그림 22>에서 보는 바와 같이 살짝 휘어진 형태를 나타낸다. VCE도 VCE의 증가에 따라 직선적으로 변화하지 못하고 살짝 휘어진 형태의 만곡선(彎曲線)을 나타낸다.
<그림 19>의 출력 전압 V0는 접지 측에서 측정한 것으로 V0=0일 때 VCE는 -5V가 되고 IC=-0.5㎃, IB=-0.86㎂가 된다. 이것으로부터 IB는 -0.86㎂를 중심으로 잡고 ±0.86㎂ 만큼 변화시키면, 즉 IB를 0에서 -1.72㎂까지 변화시키면 <그림 22>를 만들어 낸다. IB의 파형은 하단에 표시되어 있는데, 직선적으로 변화하는 삼각파가 된다. 삼각파는 입·출력 간의 특성을 파악하는데 편리한 파형이다.

<그림 21>과 <그림 22>를 통해 IB가 0~-1.72㎂ 변화 시 IC는 0~-0.95㎃ 사이에서 변화하고, VBE는 -0.49V에서 -0.62V 간 변화하는 것을 알 수 있다. VBE의 변화 범위는 0.13V이다. VCE의 파형은 <그림 22>의 왼쪽 편과 같은데, 상하가 다소 비대칭의 파형으로 된다. VCE는 이미터를 기준으로 해서 측정한 값으로 PNP형 트랜지스터를 사용한 <그림 19>의 회로에서는 -10V에서 -1.5V까지 변화한다. 이에 따라 출력 전압 V0는 -5V에서 +3.5V까지의 범위에서 변화하고 파형 모습은 VCE의 파형을 반대로 한 것과 같다. V0의 변화 범위는 8.5V이고 △VBE=0.13V이기 때문에 전압 이득

배가 된다.
라. 캐스코드(Cascode) 접속
<그림 22>에서 보는 바와 같이 트랜지스터 하나를 사용해 증폭할 때의 문제점은 입력에 비례하지 않고 만곡선으로 나타나는 출력 전류에 있다. 이런 동특성 관계(IB-VCE 특성)을 개선해 직선화시키지 못하면 하이파이 오디오용으로 사용하는 것은 문제가 있다. IC의 변화에 따라 VCE가 변해 전달 특성 곡선이 직선화되지 못하는 것인데, 이 때문에 VCE를 고정시킨다면 이를 해결할 수 있다. <그림 20>의 출력 특선 상에 VCE가 일정한 값, 여기서는 -1V로 일정한 때의 수직선을 긋고 각 커브와의 교점으로 IB 대 IC 간의 관계를 구해 보면 직선성이 확보되어 <그림 23>과 같은 그래프가 얻어 진다.

즉, 어떤 방법으로든 VCE를 일정한 값으로 고정시켜 놓는다면 IC는 입력 전류 IB에 따라 직선성을 가지고 증폭되어 출력된다. 그러나 <그림 19>의 회로에서 VCE를 고정시켜 버리면 출력 전압 V0도 고정되어 출력을 빼낼 수 없게 된다. 이러한 딜레마를 해결한 것이 <그림 24>와 같은 형태의 캐스코드 접속으로 트랜지스터 2개를 사용한다.

TR1은 IB를 증폭해 IC1으로 출력하는 전류 증폭기로 동작한다. 전류 이득은 TR1의 hFE1 전류 증폭률이다. 한편 TR2의 베이스 전압은 직류 전압 VZ로 고정되어 있고, TR2의 입력은 이미터 전류 IE2로 TR1의 출력 전류 IC1과 같다. TR2의 출력 전류 IC2는 콜렉터 저항 RC를 통해서 흐르고 출력 전압 V0가 만들어 진다. 여기서 TR2의 역할을 살펴보자. TR2는 베이스 접지 증폭기로 작동하기 때문에 hFE2가 100 이상으로 충분히 크다면 IE2~=IC2라고 간주해도 된다.
여기서 <그림 25>와 같은 베이스 접지 증폭기의 특성을 알아볼 필요가 있다. 사용하는 트랜지스터는 2SA798로 hFE는 400~800의 G 랭크 타입이 자주 사용되는 것을 기준으로 할 때 IB는 IE의 0.125~0.25% 정도 밖에는 되지 않아 입력 전류의 대부분이 그대로 출력 전류로 된다는 것을 알 수 있다. 때문에 전류 이득은 1이고, IC는 VCE와 관계없이 IE만으로 결정된다. 이러한 관계는 <그림 26>에서 보는 바와 같이 VCB가 +0.4V가 될 때까지 유효하다. 즉, VCE= VBE+VCB이기 때문에 VBE가 <그림 24>와 같이 VZ로 고정되어 있으면 결국 VCE 값이 변하더라도 이에 관계없이 IE2~=IC2가 되어 입력 전류가 거의 그대로 출력 전류가 되어 흐른다.

이와 같이 베이스 접지 증폭기의 특징은 전류 증폭률이 1이지만, 대신에 출력 임피던스가 극히 높아서 출력 전류가 부하의 영향을 거의 받지 않게 되는 반면, 입력 임피던스는 낮아져서 신호원으로부터 신호 전류를 쉽게 받을 수 있는 좋은 특성을 갖게 된다.

다시 <그림 24>의 캐스코드 접속 회로를 보자. TR2의 베이스가 VZ으로 고정되어 있어 VBE2가 거의 움직이지 않아서 TR1의 VCE를 고정시켜 주는 역할을 한다. TR2의 출력 파형은 어떻게 변하는지를 보면, TR1의 IB를 0~-2.0㎂의 범위에서 변화시키면 IC는 0~-9.8㎃ 간에 변화하고, 그것이 거의 그대로 TR2의 IC로 된다. RC에 따라 TR2의 VCE가 변화하지만 캐스코드 증폭 회로 전체로 보면 입력 전류 IB에 따라 출력 전류 IC는 직선성을 갖고 변화하게 된다. TR2의 전류 이득은 1이지만 전압 이득은

이 된다. 여기서 TR1의 VCE를 고정시키기 위해 사용되는 VZ로 인해 전원 전압은 6.6V로 1.6V 정도 더 높여서 사용해야 한다.
결론적으로 캐스코드 접속 증폭기는 TR1이 전류 증폭기로, TR2가 전압 증폭기로 역할을 분담해 직선성을 대폭 개선해 왜율을 크게 줄일 수 있어 현재의 하이파이 앰프에 있어서는 필요 불가결한 회로의 하나가 되었다.


