Perfect Guide for Tube Amplifier


1. 5U4G 오디오 기기뿐 아니라 라디오, 진공관식 TV와 같이 많은 직류 전기를 요구하는 곳에 사용되던 대형 전파 직열형 정류관으로 역사가 오래된 진공관이다. 일반 오디오용 정류관으로는 최대급이라 할 수 있다. 최대 AC 입력 전압 550V, 최대 전류는 250mA(5U4GB의 경우는 275mA)이다. 이 정류관 하나면 2A3 싱글 스테레오 앰프나 KT88 모노블록 앰프의 정류용으로 충분하다.8핀 소켓을 사용하나 핀 3, 5 및 7번 핀은 생략된 상태로 나오는 경우가 많다. 일반적으로 수직으로 사용하나, 핀 1번과 4번을 수직 방향으로 위치한 채로 눕혀서 사용할 수도 있다. 출력관의 경우와 같이 적절한 통풍이 되도록 하는 것이 중요하다.진공관 전성기 시절에는 진공관 메이커마다 거의 다 생산했으나 현재 국내에는 러시아제의 ST관 형태의 제품을 쉽게 구할 수 있다.5U4G의 경우 저항-콘덴서 결합시켜 사용하는 CR형 정류 방식에 있어 첫 번째 콘덴서는 40㎌가 최대치이다. 정류관에 직접 연결되는 최초의 콘덴서 다음에는 적당한 크기의 저항을 연결시켜 전류를 제한하게 되므로 다음 단의 콘덴서 용량은 큰 제한이 없다. 진공관 앰프의 경우는 첫 번째의 저항 대신 초크 코일을 사용하는 경우가 일반적이다. 이 종류 회로에 사용하는 콘덴서는 일반적으로 전해 콘덴서를 사용하지만, 오디오용으로는 필름 콘덴서를 사용하면 좋은 결과를 얻을 수 있다.하나의 섀시에 KT88과 같은 대형 출력관을 스테레오 푸시풀로 구성하는 경우 5U4G 하나로는 전류 용량이 모자란다. 이와 같이 더 큰 용량이 필요한 경우에는 정류관을 2개 병렬로 사용하면 2배의 용량으로 키울 수 있다.


2. 5AR4 대형 전파 정류용 방열형 쌍2극관으로 오디오 앰프에 있어 가장 많이 사용되는 정류관 중에 하나이다. 진공관 개발 역사 중에서 비교적 후기에 개발된 관으로, 5U4G 정류관이 직열형인데 비해 5AR4는 방열형이기 때문에 고압 B전압 전류를 서서히 흘려줘서 기기의 안정적인 동작과 수명 보호에 좋은 장점을 가진 관이다. 8핀 베이스의 비교적 콤팩트한 관으로 교류 입력 전압 500V, 정류 전류 250mA 정도의 용량을 가지고 있어 웬만한 스테레오 앰프에도 관 한 개면 충분하다.관내 전압 강하가 작기 때문에 같은 교류 전압을 입력시켜도 다른 정류관보다 높은 직류 전압을 얻을 수 있다. 유럽 메이커에서도 많이 생산되었는데, 유럽 명은 GZ34로 독일의 텔레풍켄이나 영국의 GEC 사 또는 멀라드 사 제품의 인기가 높다. 현재 러시아, 체코 및 중국의 진공관 메이커에서도 계속 생산이 되고 있다. 주로 KT88, EL34와 같은 출력관과 사용하는 경우가 많다.



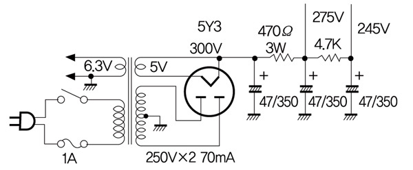
사진 1. 진공관 정류 방식의 마란츠 7형 전원부
3. 5Z3 대형 전파 정류용 직열 쌍2극관이다. 5U4G와 동등한 규격의 진공관으로 진공관 소켓이 UX 베이스의 4핀 소켓이다. 진공관 발달 과정을 보면 이 5Z3에서 시작해 5U4GB로 발전해 간 것을 알 수 있다. 일반적인 특성은 5U4GB와 같다고 보면 된다. 4. 80(5Y3 GT) 전파 정류용 직열 2극관으로, 아주 오랜 역사를 가진 중출력 전파 정류관으로, 비교적 수명이 긴 것이 특징이다. 주로 라디오나 TV 세트에 주로 사용되었다. 수직 방향으로 사용하는 것이 일반적이나 핀 2번과 8번을 아래로 해 눕혀서 사용해도 된다. 다른 중•대형 정류관과 마찬가지로 적절한 통풍이 되게 해야 한다. 700V의 교류 입력 전압에 125mA의 정류 전류를 흘릴 수 있다. 80은 진공관 소켓이 UX 형의 4핀이나 개량된 5Y3GT는 8핀 소켓으로 되어 있다.

그림 2. 80의 핀 배치도
5. 12X4(6X4) 프리앰프 사용에 알맞은 소형 전파 정류용 쌍2극관으로, 7핀 소켓의 MT관이다. 히터는 12V, 0.3A의 용량을 가지고 있다. 325V의 입력 교류 전압에 70mA의 출력 전류를 낼 수 있다. 6.3V 규격의 6X4는 히터 규격만 다를 뿐 특성은 같다. 유사관으로 6CA4가 있으며 6X5GT는 외양이 GT관 형태를 하고 있다. 콘덴서 입력형으로 평활 회로를 구성할 경우 첫 번째 콘덴서 용량은 10㎌ 정도로 제한해야 한다. 과거 다이나코의 프리앰프였던 PX-3에 사용된 실적이 있다. <사진 1>은 마란츠 7형 프리앰프용으로 6X4를 사용해 자작한 파워 서플라이의 내부 모습이다.

그림 3. 12X4의 핀 배치도
6. WE 274A•274B 미국 웨스턴 일렉트릭 사에서 제조한 대형 전파 정류 직열 쌍2극관이다. A형은 UX 베이스의 4핀 소켓용이고, B형은 8핀 소켓용이다. 5U4G와 비슷한 특성과 용량을 갖고 있으나 WE300B 등의 싱글 앰프에는 반드시 WE274와 같이 사용해야 진짜 웨스턴 일렉트릭의 진가를 맛볼 수 있다고 해서 찾는 사람은 많으나 구하기가 힘들어 가격이 매우 높다. 90년대부터 중국에서 생산된 제품을 미국 등지에서 선별해 독자적인 브랜드로 파는 제품이 나오고 있다.

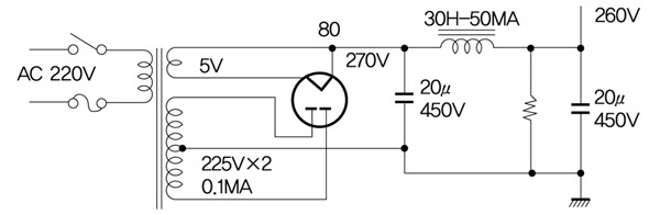
그림 4. 80을 사용한 정류 회로

7. 83 수은 정류관으로 미국 RCA 사에서 주로 생산되었다. 정류 효율을 높이기 위해 진공관 내에 수은 가스를 집어넣었는데, 스위치를 껐을 때는 수은이 냉각되어 관 벽이나 스템에 붙어 은색 빛을 발한다. 이 수은 정류관이 제 기능을 발하기 위해서는 적어도 1분 정도의 예비 가열을 해서 수은이 완전 증기화되어 이온 상태에 있을 때까지 고압 정류 전원을 가해서는 안 된다. 따라서 히터용 스위치와 정류용 전원 스위치를 따로 분리해 먼저 히터용 전원 스위치를 먼저 켜주어야 한다. 히터가 달구어지면서 수은이 증기로 변하고 서서히 구름처럼 보이다가 완전히 이온화하면 관 내부가 투명하게 되면서 정상 동작 시에는 푸른색의 매혹적인 불빛을 발한다. 이 83은 크기에 비해 정류 효율이 높은데, 히터 전압 5V, 전류 2A이며 최대 700V의 정류 출력 전압과 250mA의 출력 전류를 낸다. 오디오 앰프에 사용하면 음질이 매우 좋다는 평을 받고 있으나 반드시 1분 이상의 프리 히팅 시간과 사용 중에 진공관이 깨지면 인체에 아주 유해한 수은 증기가 나온다는 점, 그리고 가능한 초크 입력 방식으로 평활 회로 부분을 구성해야 한다는 점 등의 제약 조건이 있다.

그림 6. 전류 용량을 늘리기 위해 정류관을 2개 사용하는 경우

저작권자 © 월간 오디오 무단전재 및 재배포 금지


